Free Lessons
Courses
Seminars
TechHelp
Fast Tips
Templates
Topic Index
Forum
ABCD
 
Home   Courses   TechHelp   Forums   Help   Contact   Merch   Join   Order   Logon  
 
Back to Access Forum    Comments List
Upload Images   @Reply   Bookmark    Link   Email   Next Unseen 
Update Table from Excel
Ronald Modesett 
     
2 years ago
I'm trying to update my fiber master table from excel linked table.
the review shows me the master and excel table.
when I try to update the circuit name it does not work.
Richard Rost  @Reply  
          
2 years ago
Ronald, we're going to need a LOT more detail than this. Explain it slowly. Screen shots help. "It does not work" doesn't tell us anything. See Rule #2.
Richard Rost  @Reply  
          
2 years ago
Also read All About Context. I have no idea what a Fiber Master Table or a Circuit Name means in the context of your database. What are these? What is their relationship? Don't assume I understand YOUR database.
Richard Rost  @Reply  
          
2 years ago
We want to help you... but we don't know what you've got going on over there... so give us some details. :)
Ludwig Willems  @Reply  
      
2 years ago
volgen :)
Ronald Modesett OP  @Reply  
     
2 years ago

Ronald Modesett OP  @Reply  
     
2 years ago

Ronald Modesett OP  @Reply  
     
2 years ago

Ronald Modesett OP  @Reply  
     
2 years ago
I must apologize for not completely following Rule #2
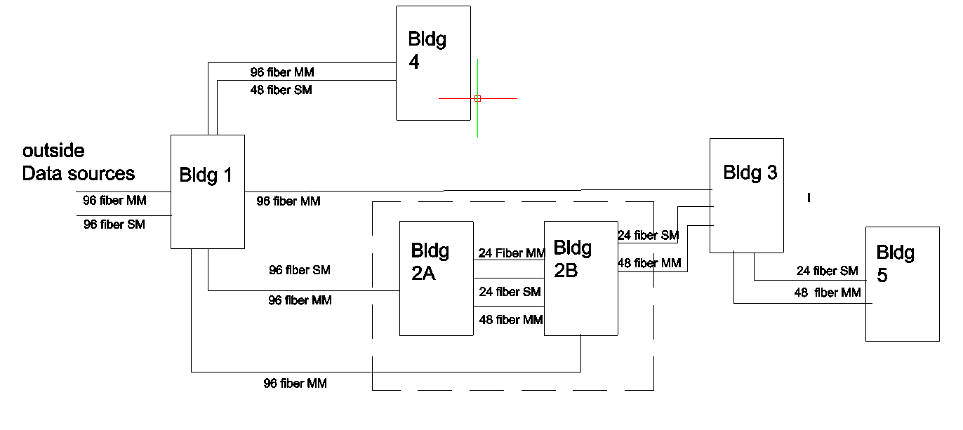
This data base has 3 primary tables 1. Circuit names, Who owns it, is it permanent 2. Back bone table, how many fibers, is it single mode (SM) or multi mode (MM) and it source panel and destination panel 3. connections Table, this tells you where it is patched to next.
The end game is to be able run a query and establish the complete path for any given circuit for troubleshooting and establishing any new circuit that is requested.
I hope this clears up some of the confusion.
When I run a query to preview updates it does show current table circuit name and from the linked table the new names, just as seen in tech help video.
I mented to get screen shots of queries, have to go back and resize them.
Ronald Modesett OP  @Reply  
     
2 years ago

Ronald Modesett OP  @Reply  
     
2 years ago

Ronald Modesett OP  @Reply  
     
2 years ago
As you can see I did manage over write correct existing circuit name with the word circuit. so if the name is circuit is the correct name, and as you can see from all the open names this data has not been kept up to date for some time.
Kevin Robertson  @Reply  
          
2 years ago
Your trying to update the data in the table. Correct?
That's a Select Query not an Update Query.
Ronald Modesett OP  @Reply  
     
2 years ago
Yes, I'm trying to update.
What the screen shot show is the preview of what was and the updated info that should be in the master table.
Its the update query I'm having problems with

This thread is now CLOSED. If you wish to comment, start a NEW discussion in Access Forum.
 

Next Unseen

 
New Feature: Comment Live View
 
 

The following is a paid advertisement
Computer Learning Zone is not responsible for any content shown or offers made by these ads.
 

Learn
 
Access - index
Excel - index
Word - index
Windows - index
PowerPoint - index
Photoshop - index
Visual Basic - index
ASP - index
Seminars
More...
Customers
 
Login
My Account
My Courses
Lost Password
Memberships
Student Databases
Change Email
Info
 
Latest News
New Releases
User Forums
Topic Glossary
Tips & Tricks
Search The Site
Code Vault
Collapse Menus
Help
 
Customer Support
Web Site Tour
FAQs
TechHelp
Consulting Services
About
 
Background
Testimonials
Jobs
Affiliate Program
Richard Rost
Free Lessons
Mailing List
PCResale.NET
Order
 
Video Tutorials
Handbooks
Memberships
Learning Connection
Idiot's Guide to Excel
Volume Discounts
Payment Info
Shipping
Terms of Sale
Contact
 
Contact Info
Support Policy
Mailing Address
Phone Number
Fax Number
Course Survey
Email Richard
[email protected]
Blog RSS Feed    YouTube Channel

LinkedIn
Copyright 2026 by Computer Learning Zone, Amicron, and Richard Rost. All Rights Reserved. Current Time: 4/30/2026 7:05:58 AM. PLT: 0s